{include file="index/heeräsder"/}
+86-563-4186973

Lähetä palautetta

{include file="index/header-sideb - - - -ar"/}

Ulkoiset napsautuskorkeat akselin laakereille-din5417 Toimittajat

Kotiin / Tuotteet / Napsautusrenkaat / Ulkoiset napsautuskorkeat akselin laakereille-din5417

Tuoteryhmät

Tyhjentää kaikki

Ota yhteyttä

Ulkoiset napsautuskorkeat akselin laakereille-din5417

Akselin laakereiden ulkoinen napsautuskorkeat ovat laite, jota käytetään estämään laakerin toimimisen laakerin kotelon ajon, sen päärooli on laakeri korjaaminen, ei jarrutus. Tämän tyyppinen viikon halkaisija on pyöristetty paremmin, jotta pysäkkirenkaan uran asentaminen on myös pyöristetty stop -renkaan halkaisijan kanssa.

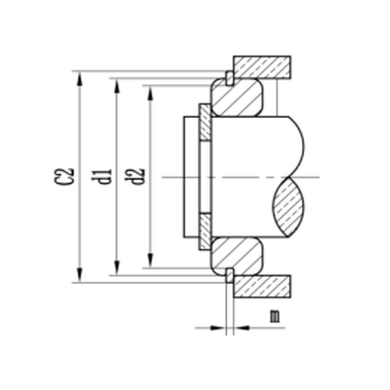
D1: eritelmä/nimelliskoko; S: paksuus; D3: sisähalkaisija; ≈e: avaaminen; R: Sisä -halkaisija R kulma; B: Olkapäiden leveys; WT: paino; FN: Uran laakerin kapasiteetti; FR: Renkaanlaakerin säilytyskapasiteetti (oikea kulma); G: Chamfer -koko; FRG: Renkaanlaakerin säilytyskapasiteetti (Chamfer); NABL: Rajoita nopeus;

Ulkoiset napsautuskorkeat akselin laakereille-din5417

D1 S Tol D3 Tol e (≈) r (min) b Tol Wt (g) D2 Tol m Tol Fn (kN) Fr (kN) g FRG (KN) n abl
30
1.12
–0.1
27.4
0.4
3
0.4
3.25
–0.15
2.8
28.17
–0.25
1.35
0.3
13.7
16.6
2
2.91
16
32
1.12
–0.1
29.4
0.4
3
0.4
3.25
–0.15
3
30.15
–0.25
1.35
0.3
14.6
14.6
2
2.57
13
35
1.12
–0.1
32.4
0.4
3
0.4
3.25
–0.15
3.2
33.17
–0.25
1.35
0.3
16
13.4
2
2.42
11
37
1.12
–0.1
34
0.4
3
0.4
3.25
–0.15
3.4
34.77
–0.25
1.35
0.3
20.7
13.6
2
2.45
10
40
1.12
–0.1
37.3
0.4
3
0.4
3.25
–0.15
3.6
38.1
–0.25
1.35
0.3
19.3
13.5
2
2.5
8
42
1.12
–0.1
38.9
0.5
3
0.4
3.25
–0.15
3.8
39.75
–0.25
1.35
0.3
23.5
12.9
2
2.39
7
44
1.12
–0.1
40.9
0.5
3
0.4
3.25
–0.15
4
41.75
–0.25
1.35
0.3
24.6
12.4
2
2.29
7
47
1.12
–0.1
43.7
0.5
4
0.4
4.04
–0.15
5.3
44.6
–0.25
1.35
0.3
28.8
12.1
2
2.29
7
50
1.12
–0.1
46.7
0.5
4
0.4
4.04
–0.15
5.8
47.6
–0.25
1.35
0.3
30.6
13.3
2
2.6
6
52
1.12
–0.1
48.8
0.5
4
0.4
4.04
–0.15
5.9
49.73
–0.25
1.35
0.3
31.6
12.8
2.5
2.01
6
55
1.12
–0.1
51.7
0.5
4
0.4
4.04
–0.15
6.2
52.6
–0.25
1.35
0.3
33.8
11.8
2.5
1.9
5
56
1.12
–0.1
52.4
0.8
4
0.4
4.04
–0.15
6.5
53.6
–0.25
1.35
0.3
34.5
12.1
2.5
1.95
5
58
1.12
–0.1
54.4
0.8
4
0.4
4.04
–0.15
6.7
55.6
–0.25
1.35
0.3
35.6
11.5
2.5
1.89
5
62
1.7
–0.1
58.2
0.8
4
0.6
4.04
–0.15
10.5
59.61
–0.50
1.9
0.3
38.1
37.6
2.5
6.18
5
65
1.7
–0.1
61.2
0.8
4
0.6
4.04
–0.15
11
62.6
–0.50
1.9
0.3
40
34.9
2.5
5.89
4
68
1.7
–0.1
63.4
0.8
5
0.6
4.85
–0.15
12.6
64.82
–0.50
1.9
0.3
55.5
40.9
2.5
7.06
4
72
1.7
–0.1
67.4
0.8
5
0.6
4.85
–0.15
14.7
68.81
–0.50
1.9
0.3
59
38.9
2.5
6.71
4
75
1.7
–0.1
70.4
0.8
5
0.6
4.85
–0.15
15.3
71.83
–0.50
1.9
0.3
61.5
36.6
2.5
6.46
3
80
1.7
–0.1
75.4
0.8
5
0.6
4.85
–0.15
16.3
76.81
–0.50
1.9
0.3
65.7
34.8
3
5.25
3
85
1.7
–0.1
80.4
0.8
5
0.6
4.85
–0.15
17.5
81.81
–0.50
1.9
0.3
70
33.5
3
5.16
3
90
2.46
–0.1
85.4
0.8
5
0.7
4.85
–0.15
26.6
86.79
–0.50
2.7
0.3
74
93.9
3
14.8
2
95
2.46
–0.1
90.4
0.8
5
0.7
4.85
–0.15
28.2
91.82
–0.50
2.7
0.3
76.3
86.8
3.5
12
2
100
2.46
–0.1
95.2
1
5
0.7
4.85
–0.15
29.2
96.8
–0.50
2.7
0.3
82.5
80.8
3.5
11.4
2
110
2.46
–0.1
105.2
1
5
0.7
4.85
–0.15
32.8
106.81
–0.50
2.7
0.3
90.7
71.2
3.5
10.4
1
115
2.46
–0.1
110.2
1
5
0.7
4.85
–0.15
34.4
111.81
–0.50
2.7
0.3
97.7
66.6
3.5
10
1
120
2.82
–0.1
113.6
1
7
0.7
7.21
–0.15
60.6
115.21
–0.50
3.1
0.3
143
140
3.5
21.3
2
125
2.82
–0.1
118.6
1
7
0.7
7.21
–0.15
63
120.22
–0.50
3.1
0.3
155
132
4
17.9
2
130
2.82
–0.1
123.6
1
7
0.7
7.21
–0.15
65.6
125.22
–0.50
3.1
0.3
166
124.7
4
17.3
1
140
2.82
–0.1
133
1.6
7
0.7
7.21
–0.15
70.6
135.23
–0.50
3.1
0.3
180
111.6
4
16
1
145
2.82
–0.1
138
1.6
7
0.7
7.21
–0.15
73
140.23
–0.50
3.1
0.3
186
106.4
4
15.5
1
150
2.82
–0.1
142.9
1.6
7
0.7
7.21
–0.15
77.2
145.24
–0.50
3.1
0.3
193
101.5
4
15
1
160
2.82
–0.1
152.9
1.6
7
0.7
7.21
–0.15
81
155.22
–0.50
3.1
0.3
206
92
4
14.1
1
170
3.1
–0.1
161.3
1.6
10
0.7
9.6
–0.15
122
163.65
–0.50
3.5
0.3
283
148
5
18.7
1
180
3.1
–0.1
171.2
1.6
10
0.7
9.6
–0.15
128
173.66
–0.50
3.5
0.3
292
135
5
17.7
1
190
3.1
–0.1
181
1.8
10
0.7
9.6
–0.15
139
183.64
–0.50
3.5
0.3
311
124
5
16.7
1
200
3.1
–0.1
191
1.8
10
0.7
9.6
–0.15
148
193.65
–0.50
3.5
0.3
336
116
5
16
1
210
3.1
–0.1
200.9
1.8
10
1.2
9.6
–0.15
156
203.6
–0.50
3.5
0.3
356
106
6
12.7
1
215
3.1
–0.1
205.9
1.8
10
1.2
9.6
–0.15
160
208.6
–0.50
3.5
0.3
376
103
6
12.4
1
225
3.5
–0.1
214.3
1.8
10
1.2
10
–0.15
196
217
–0.50
4.5
0.4
462
144
6
17.9
1
230
3.5
–0.1
219.2
1.8
10
1.2
10
–0.15
200
222
–0.50
4.5
0.4
473
139.1
6
17.5
1
240
3.5
–0.1
229.2
1.8
10
1.2
10
–0.15
209
232
–0.50
4.5
0.4
495
130
6
16.8
0.5
250
3.5
–0.1
239.2
1.8
10
1.2
10
–0.15
220
242
–0.50
4.5
0.4
514
122
6
16.1
0.5
260
3.5
–0.1
247.5
2.5
10
1.2
10
–0.30
230
252
–0.50
4.5
0.4
536
114
6
15.5
0.5
270
3.5
–0.1
257.5
2.5
10
1.2
10
–0.30
240
262
–0.50
4.5
0.4
556
107
6
14.9
0.5
280
3.5
–0.1
267.5
2.5
10
1.2
10
–0.30
250
272
–0.50
4.5
0.4
578
101
6
14.4
0.5
290
3.5
–0.1
277.5
2.5
10
1.2
10
–0.30
260
282
–0.50
4.5
0.4
598
95.4
6
13.9
0.4
300
4.5
–0.2
284.5
2.5
10
1.5
12
–0.30
400
290
–0.50
5.5
0.5
694
230
7
34.2
0.6
310
4.5
–0.2
294
3
10
1.5
12
–0.30
412
300
–0.50
5.5
0.5
800
218
7
28.4
0.5
320
4.5
–0.2
304
3
10
1.5
12
–0.30
420
310
–0.50
5.5
0.5
824
207
7
27.6
0.5
340
4.5
–0.2
324
3
10
1.5
12
–0.30
446
330
–0.50
5.5
0.5
875
187
7
26
0.4
360
4.5
–0.2
343
3
10
1.5
12
–0.30
475
350
–0.50
5.5
0.5
930
169
7
24.5
0.4
370
4.5
–0.2
353
3
10
1.5
12
–0.30
485
360
–0.50
5.5
0.5
955
162
7
23.8
0.4
380
4.5
–0.2
363
3
10
1.5
12
–0.30
500
370
–0.50
5.5
0.5
955
154
7
23.2
0.4
400
4.5
–0.2
383
3
10
1.5
12
–0.30
525
390
–0.50
5.5
0.5
1040
144
7
22.1
0.3
Meistä
Anhui Ningguo Dongbo Faster Co., Ltd.
Dongbo perustettiin syyskuussa 2005 rekisteröidyn pääoman ollessa 47,72 miljoonaa. Se sijaitsee kansallisella NingGuon talous- ja teknologisen kehityksen vyöhykkeellä, kattaa 91 hehtaarin alueen ja sillä on tällä hetkellä yli 420 työntekijää. Yhtiö on keskittynyt säilytysrenkaiden tuotantoon 46 vuoden ajan ja on ammattimainen tukkumyynnin snap-renkaiden valmistajat ja OEM/ODM SNAP: n säilytysrenkaiden tehdas, joka tuottaa aluslevyjä (pyöreät, perhonen, pallomaiset), säilyttävät renkaat, elastiset lieriömäiset nastat ja muut tuotesarjat ja epästandardin mukaiset räätälöidyt leimausosat. Se on korkean teknologian yritys, jolla on laajamittainen, useita lajikkeita, täydellisiä eritelmiä ja integroitu valmistus, tutkimus- ja kehitys ja myynti teollisuudessa.
Kunniatodistus
  • CNA: t
  • IATF16949
  • Todistukset
  • ISO14001
  • Todistukset
  • Todistukset
  • Todistukset
  • Todistukset
  • Todistukset
  • Todistukset
  • Todistukset
  • Todistukset

Uutiset

  • Apr 27,2026

    Ei-standardi leimausosat: täydellinen opas

    Mitä ei-standardi leimausosat ovat ja milloin tarvitset niitä EI-STANDARDIT MEISTAUSOSAT ovat tarkkuusmetallikomponentteja, jotka valmistetaan leimaamalla - käyttämällä meistiä ja meistiä me...

    Nähdä enemmän
  • Apr 22,2026

    Ulkoisen lukkorenkaan asennus ja poistaminen: Vaiheittainen opas

    Ulkopuoliset lukkorenkaat ovat koneenrakennuksen luotettavimpia ja kustannustehokkaimpia kiinnikkeitä. Niitä löytyy kaikessa autojen vaihteistoista teollisiin kuljetinjärjestelmiin, ja ne tarjoavat kompaktin ratkaisun...

    Nähdä enemmän
  • Apr 15,2026

    Snap Rings -opas: tyypit, käyttötarkoitukset ja valinta

    Snap Rings -renkaiden ydintoiminnon ymmärtäminen Kiinnitysrenkaat , joita usein kutsutaan kiinnitysrenkaiksi tai lukkorenkaiksi, palvelevat erittäin erityistä mekaanista tarkoitusta: ne rajoittavat aksiaalist...

    Nähdä enemmän
  • Apr 08,2026

    Ei-standardi leimausosat: Industrial Guide

    Suunnittelutarkkuus ei-standardin mukaisessa leimausosien tuotannossa Epästandardit leimausosat ovat kriittinen valmistusratkaisu teollisuudelle, joka vaatii komponentteja, jotka poikkeavat tavanomaisista spesifika...

    Nähdä enemmän
Ulkoiset napsautuskorkeat akselin laakereille-din5417 Industry knowledge

Tiede DIN5417: n säilytysrenkaiden takana: Laakerien kiinnittäminen pyöristettyjen sisähalkaisijoiden kanssa

Säilyttävät renkaat, kuten DIN5417, palvelevat yksinkertaista, mutta elintärkeää tarkoitusta: ne estävät laakereita liikkumasta koteloissaan tai akselissa. Toisin kuin jarrutusmekanismit, jotka hallitsevat liikettä, säilyttävät renkaat keskittyvät kiinnittymiseen - niiden komponenttien avulla pysyvät turvallisesti käytön aikana. Tämä vakaus on ratkaisevan tärkeä linjauksen ylläpitämiseksi, kulumisen vähentämiseksi ja kalliiden seisokkien estämiseksi.

Yksi DIN5417 -pidätysrenkaan erottuvista ominaisuuksista on sen pyöristetty sisähalkaisija. Tämä suunnitteluelementti ei ole vain esteettinen; Se palvelee toiminnallista tarkoitusta. Pyöristetty sisähalkaisija antaa pidätysrenkaan sopeutua tiukasti akselin vastaavasti pyöristettyyn uraan luomalla turvallisen ja vakaan yhteyden. Tämä malli minimoi stressipitoisuudet ja varmistaa voimien tasaisen jakautumisen parantaen kokoonpanon kestävyyttä ja luotettavuutta.

Pyöristettyjen sisähalkaisijoiden tiede
Pyöristetty sisähalkaisija Din5417 pidätysrengas on todistus materiaalitieteen ja tekniikan merkityksestä kiinnityssuunnittelussa. Tästä syystä tämä ominaisuus on niin merkittävä:

Parannettu kuorman jakauma:
Pyöristetty sisähalkaisija vähentää teräviä reunoja, jotka voisivat luoda stressipisteitä. Jakamalla kuormituksia tasaisesti kosketuspinnan poikki, pidätysrengas kestää paremmin dynaamisia voimia ja värähtelyjä.
Parannettu pito ja vakaus:
Pyöristetty profiili varmistaa tiukemman istuvuuden uraan, minimoimalla liukumisen tai väärinkäytön riskin. Tämä on erityisen tärkeää nopean tai raskaan kuormituksen sovelluksissa, joissa tarkkuus on kriittinen.
Yhteensopivuus nykyaikaisten valmistustekniikoiden kanssa:
Pyöristetty muotoilu kohdistuu täydellisesti edistyneisiin koneistusprosesseihin, joita käytetään urien luomiseen akseleille. Tämä yhteensopivuus varmistaa saumattoman integraation ja johdonmukaisen suorituskyvyn kokoonpanojen välillä.
Lisääntynyt käyttöikä:
Vähentämällä stressipitoisuuksia ja parantamalla kuormituskykyä, pyöristetty sisähalkaisija edistää sekä pidätysrenkaan että sen kiinnittämien komponenttien yleistä pitkäikäisyyttä.

Anhui Ningguo Dongbo Faster Co., Ltd. Perustettu syyskuussa 2005 ja sen pääkonttorilla arvostetulla NingGuon talous- ja teknologisella kehitysvyöhykkeellä yrityksestämme on kasvanut kiinnitysteollisuuden johtaja. Rekisteröidyn pääoman ollessa 47,72 miljoonaa, leviävä 91 hehtaarin laitos ja yli 530 ammattitaitoisen työntekijän ryhmä on varustettu toimittamaan tuotteita, jotka täyttävät korkeimmat laatu- ja suorituskyvyn vaatimukset.

DIN5417 Ulkoiset SNAP -pidätys renkaat erottuvat useista syistä:
Tarkkuusvalmistus: Jokainen pidätysrengas on muotoiltu huipputeknologian avulla ja se tapahtuu tiukasti laatutarkastuksissa mittasuunnitelman ja johdonmukaisuuden varmistamiseksi.
Materiaalin huippuosaaminen: Käytämme premium-luokan materiaaleja, jotka tarjoavat poikkeuksellisen lujuutta, korroosionkestävyyttä ja kestävyyttä, mikä tekee tuotteistamme sopivia moniin ympäristöihin.
Mukauttamisominaisuudet: Tarvitsetko tietyille vaatimuksiin räätälöityjä vakioosia tai räätälöityjä ratkaisuja, tiimillämme on asiantuntemus toimittaa.
Kattava tuki: Alkuperäisestä kuulemisesta myynnin jälkeiseen palveluun tarjoamme kokonaisvaltaista tukea tyytyväisyyden varmistamiseksi.
Asiakkaiden tarpeiden ohjaama innovaatio
Dongbossa uskomme, että innovaatio alkaa ymmärtää asiakkaidemme haasteita. Teknisen kehityksen tiimimme on omistautunut ratkaisujen luomiseen, jotka ratkaisevat reaalimaailman ongelmia. Se DIN5417 Ulkoiset SNAP -pidätysrenkaat Akselin laakereille on erinomainen esimerkki tästä sitoutumisesta. Sen pyöristetty sisähalkaisija ja vankka muotoilu heijastavat omistautumistamme tuotteiden tarjoamiseen, jotka eivät vain täytä, vaan ylittävät odotukset.

Massatuotetuista vakioosista täysin räätälöityihin komponentteihin tarjoamme monipuolisen tuotevalikoiman, joka on suunniteltu palvelemaan toimialoja, jotka vaihtelevat auto- ja ilmailu- ja ilmailu- ja kulutustavaroihin. Kykymme sopeutua kehittyviin markkinoiden vaatimuksiin erottaa meidät luotettavana kumppanina yrityksille ympäri maailmaa.

Katse eteenpäin: Rengasteknologian pidättämisen tulevaisuus
Teollisuuden edetessä jatkaessa innovatiivisten kiinnitysratkaisujen kysyntä kasvaa vain. Dongbossa olemme edelleen sitoutuneita työntämään mahdollisen rajat. Jatkuva investointimme T & K -toimintaan varmistaa, että pysymme teknologisen kehityksen eturintamassa tarjoamalla tuotteita, jotka yhdistävät tarkkuuden, kestävyyden ja tehokkuuden.

DIN5417: n ulkoinen SNAP -pidätysrengas edustaa vain yhtä virstanpylvästä matkallamme kohti huippuosaamista. Pyöristetyn sisähalkaisijan ja erinomaisen suorituskyvyn avulla se ilmentää brändimme määrittelevää tiedettä ja käsityötaitoa.